Chinese English
注塑排单 开模改模列表
首页 /  产品中心 /  金属壳体 /  17类 铝型材机箱
产品型号: 17-42B
[ 打印版本 ] [ 返回 ]
 
点击放大  
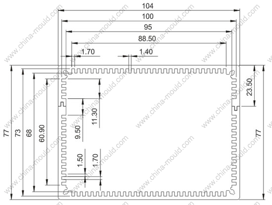
  • 外形尺寸: 104x77 mm
  • 防护等级: 无
  • 可配电池: 无
  • 视窗尺寸: 无
  • 说明:
  • 产品材料和颜色可按要求定制
  • 产品改动需根据情况收取改模费用
  • 网站图纸仅供参考(以实样为准)
  • 防水防爆产品不提供相关证书
  • 欢迎合作开模,仅收50%模具费
    更多图片...
      配件表 工艺文件 注意事项
    产品说明:
    前后铝板可任意开孔,长度可任意定制。
    基本配置(配件表):
    序号 配件编号 名称 数量 材料 表面处理 备注
    1 17-46A-1 53.5高型材 1 氧化  
    2 17-38A-1 23.5高型材 1 氧化  
    3 17-42A-2 前后铝板 2 氧化  
    4   M3x8带垫螺丝 8    
    5            
    选配件:
    序号 配件编号 名称 数量 材料 表面处理 备注
    1            
    2            
     
    [ 打印版本 ] [ 返回 ]
     
    用户登录
    用户名:
    密    码:
    验证码:
     
    分类和搜索
    产品分类
    最新产品
    开发中产品
    按型号搜索产品:
    按编号搜索零件:
    组合搜索:
    长度: to
    宽度: to
    高度: to
    电池:
    视窗:
     
     
      版权所有 2007 宁波三和壳体有限公司(原长河通用仪表壳体厂)
      浙ICP备12019213号-1     网站后台管理     注塑排单管理     开模改模管理