首页
关于我们
新闻动态
产品中心
服务与资料
联系我们
注塑排单
开模改模列表
首页
/
产品中心
/
零件编号: 17-141-5
[ 打印版本 ]
[ 返回 ]
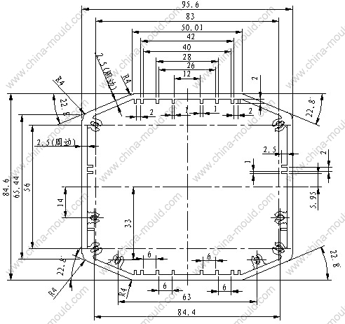
名称: 铝型材箱体
材料: 铝
注塑工艺卡: 无
检验作业指导书: 无
修剪作业指导书: 无
装配包装指导书: 无
说明:
总长178.2
嵌件明细图:
[ 打印版本 ]
[ 返回 ]
以下产品使用到了此零件:
17-141
,
发布问题:
姓名:
用户登录
用户名:
密 码:
验证码:
分类和搜索
产品分类
最新产品
开发中产品
按型号搜索产品:
按编号搜索零件:
组合搜索:
--- 全部分类 ---
塑料壳体
├11类 塑料防水盒
├13类 防水接头
├14类 继电器壳和插座
├15类 塑料机箱
├18类 台式仪器壳
├19类 墙挂式仪表壳
├20类 电器接线盒
├21类 便携式仪表壳
├22类 工控盒
├23类 标准导轨电器壳
├24类 IC卡座外壳
├25类 模块仪器壳
├26类 变频器外壳
├27类 显示器外壳
├28类 非标准仪表壳
├30类 拼装式报警器壳
├31类 接线板
├32类 透明罩
├33类 塑料旋钮
├34类 塑料变送器
├36类 叶轮
├38类 模块外壳
├45类 塑料密封箱
├46类 高档安全箱
├49类 折叠式周转箱
金属壳体
├16类 铁皮机箱
├17类 铝型材机箱
├35类 风轮
├37类 19英寸机箱
├39类 标准铝型材外壳
铝压铸壳体
├传感器外壳
├变送器外壳
├12类 铝压铸防水盒
├不锈钢接头传感器接头
├不锈钢堵头接头
├各种配套橡胶密封垫圈
├各种配套接线柱
├47类 铝铸件及变频器
柜装仪表壳
├24x48
├48x48
├48x96
├60x120
├72x72
├72x144
├96x96
├80x160
├120x120
├144x144
├160x160
├非标准
├配套面框
├55类 导电橡胶按键
├56类 O型密封圈
├57类 各种硅橡胶件
├60类 智能盖板机
├70类 智能整体机
长度:
to
宽度:
to
高度:
to
电池:
*
1节 7号电池
2节 7号电池
3节 7号电池
4节 7号电池
2节 5号电池
3节 5号电池
4节 5号电池
5节 5号电池
6节 5号电池
3节 2号电池
2节 1号电池
锂电池
非标准电池
1 x 9V
视窗:
*
1.0",20x18mm
1.0",21x13.6mm
1.4",29.5x21mm
1.5",32.5x20mm
1.6",31.4x26mm
1.6",33.5x22.5mm
1.6",36x20mm
1.6",40x12mm
1.8",39x22mm
1.8",42.2x16.5mm
1.9",40x27mm
1.9",45.6x17.8mm
10.6",216x160mm
13.3",268.6x204.6mm
2.0",41.8x26.8mm
2.0",42x30.5mm
2.0",43x29mm
2.0",44x26.5mm
2.0",47x18mm
2.0",48x19mm
2.0",49x15mm
2.0",50x12mm
2.1",41x34mm
2.1",46.3x25.2mm
2.1",48x28mm
2.2",45.9x31.4mm
2.2",48.4x30.5mm
2.2",52x23mm
2.2",53.5x17.5mm
2.2",54x20mm
2.3",47.5x33mm
2.3",51x29mm
2.3",54x23.5mm
2.4",57x24mm
2.4",58.3x20mm
2.5",50x38mm
2.5",55.5x31.5mm
2.5",59x25.5mm
2.6",53.3x37.5mm
2.6",53x40mm
2.6",56x36mm
2.6",60x29mm
2.6",64.5x16.5mm
2.6",65x15mm
2.7",53.7x43.3mm
2.7",54.5x42mm
2.8",55x45mm
2.8",60x37mm
2.8",68x24mm
2.9",56x48.5mm
2.9",62x42mm
2.9",65x33mm
3.1",64x48mm
3.1",65x45mm
3.1",66.5x43mm
3.1",67.5x40mm
3.1",70x37mm
3.1",74.6x24.2mm
3.2",65x50mm
3.2",67x47mm
3.2",70x40mm
3.2",72x37.5mm
3.2",75x32.4mm
3.3",63.5x54mm
3.3",68.4x50.4mm
3.3",72x43mm
3.3",73.5x40.5mm
3.3",75.6x35mm
3.4",61.5x61.5mm
3.4",69x52mm
3.5",64x64mm
3.5",71.6x54mm
3.5",72x52mm
3.5",77x42mm
3.7",79x50mm
3.7",85x42mm
3.8",88x44mm
3.9",79x60mm
3.9",80x58mm
4.0",80.5x61.5mm
4.0",80x64mm
4.0",82.8x63mm
4.0",94x42mm
4.0",98x30mm
4.1",101x26mm
4.1",93x48mm
4.2",100x37mm
4.2",91x55mm
4.3",97x48mm
4.5",102x55mm
4.8",98x74mm
4.9",114x52mm
5.0",112x62mm
5.1",104.6x79.3mm
5.1",123.5x43mm
5.8",114x95mm
5.8",118x88mm
5.9",119x92mm
6.0",122x92mm
6.2",134x81mm
6.9",143x101
6.9",151x90mm
7.0",154x93mm
7.1",158x90.5mm
7.7",168x103mm
8.1",164.5x124mm
8.6",173.5x132mm
9.8",195.8x154mm
9.8",203x147mm
版权所有 2007 宁波三和壳体有限公司(原长河通用仪表壳体厂)
浙ICP备12019213号-1
网站后台管理
注塑排单管理
开模改模管理